Current Rating : Insulation Resistance : Dielectric Withstanding : Contact Resistance : Mating Force : Unmating Force: Durability : | 0.75 Ampere 1000 MΩ Min 500 V 30 mΩ Max 1.2N/Pin Max 0.08N/Pin Min 300 Cycles |

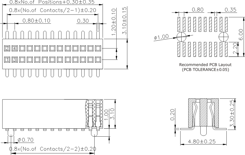
上一篇:Pitch0.80mm , Dual Row, H=3.10 , Straight Type
下一篇:沒有了
滿足您對產品的不同需求
先進設備和完善管理確??焖俳回?/p>
為您提供最合適的產品
注意每一個細節把控,從您的角度考慮問題
只需一個電話即可與我們的專家團隊溝通,86-755-2979 2280